特許番号 SE 521 352、EP 1 565 670、 US 7,544,008
FCSCクランプフランジは独自の特許取得デザインを有し、ガススプリングとマウントの間に遊びのない頑丈な接続を可能にします。 遊びのない接続によりガススプリングの回転を防止します。
FCSCクランプフランジはホース接続、及び/又は高速、長いストローク、逆取付用のガススプリングに特に適しています。
FCSCクランプフランジは500~7,500サイズのガススプリングにご利用いただけます。
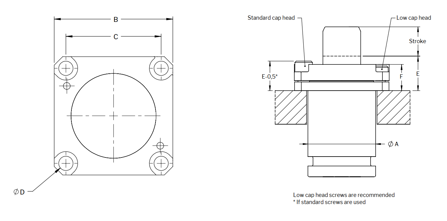
注: FCSCとFCSフランジは低頭ボルト(4x)を使用すると完全に交換可能になります。 低頭ボルトを使用することにより、ネジ最上部がフランジ最上部と同位置になります。 通常のキャップボルトを使用すると、ネジ最上部がフランジ最上部より3mm高くなります。





