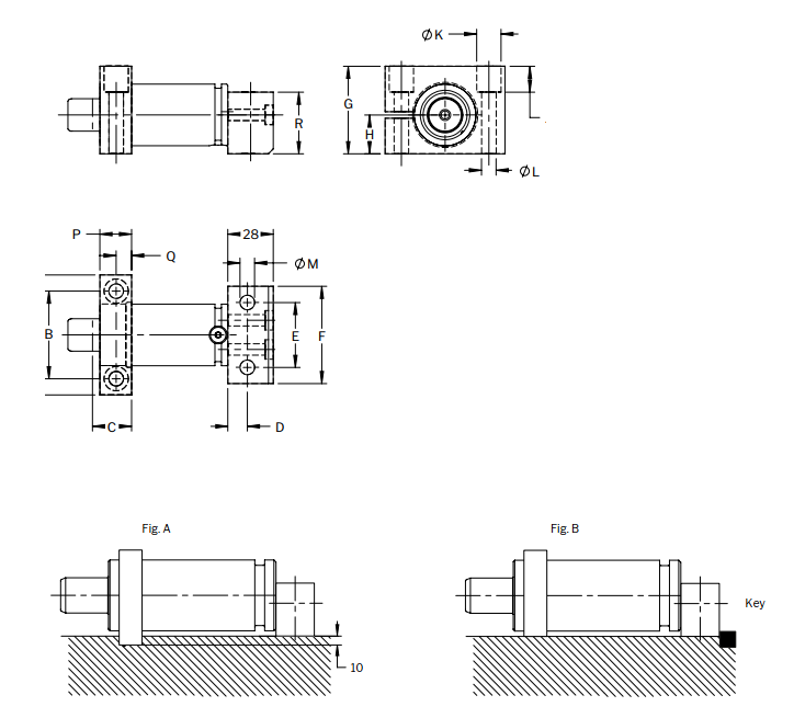
HM (水平取付)はTU 250、750-3000 スプリング用の取付部品です。 このマウントはFORD WD-X35-62規格に適合しています。 フロントサポート部は180°回転させることにより、深さ10 mmのキー溝への取付が可能となります。 フロントサポート部をキー溝に取り付けられない場合、キー を使用してリアマウントをサポートすることをお薦めします。 サポートは、マウントをスプリングに取り付けるボルトが付属されています。 詳細はこちらから ここをクリックすると拡大図が見られます。 ※図面をクリックすると新しいウィンドウで拡大図が表示されます。 ×